良工閥門渦輪球閥q341f概述:
蝸輪(lun)法蘭球(qiu)閥(fa)(fa)(bal1 valve)它的啟(qi)(qi)閉(bi)件(jian)是(shi)個球(qiu)體(ti),球(qiu)體(ti)繞網體(ti)中心線作旋(xuan)轉90度來達到開啟(qi)(qi)、關閉(bi)的一種(zhong)閥(fa)(fa)門(men)。球(qiu)在管路中主要用(yong)(yong)來做切斷(duan)、調節(jie)和改變介質的流動方向。不僅結(jie)構簡單、密封性好,而且(qie)在一定的公稱尺寸范圍內具有體(ti)積小、重(zhong)里(li)輕、材料消(xiao)耗少、安裝尺寸小,并且(qie)驅動力矩小、操作簡便、易實現(xian)快(kuai)速啟(qi)(qi)閉(bi),是(shi)近年來被廣(guang)泛采用(yong)(yong)的一種(zhong)環保經濟型閥(fa)(fa)門(men)。
良工閥門渦輪球閥q341f 特點:
(1)流體阻力(li)小,全通徑。
(2)結構(gou)簡(jian)單、體積小、重量輕。
(3)緊(jin)密可靠。它有(you)兩個密封面(mian),而(er)且(qie)目前(qian)球閥的密封面(mian)材料廣泛(fan)使用(yong)各(ge)種塑料,密封性好,能密封。在真空系統中(zhong)也(ye)已廣泛(fan)使用(yong)。
(4)操作方便,開閉(bi)迅速,從全開到全關只要旋轉90°,便于遠距離的(de)控(kong)制。
(5)維修方(fang)便(bian),球閥結構簡(jian)單,密封圈一(yi)般都(dou)是活動的,拆卸更(geng)換都(dou)比(bi)較方(fang)便(bian)。
(6)在全(quan)(quan)開或全(quan)(quan)閉時,球體和閥(fa)座的密封(feng)面與介(jie)質(zhi)隔離(li),介(jie)質(zhi)通過時,不會引(yin)起閥(fa)門密封(feng)面的侵蝕(shi)。
(7)適用范(fan)圍廣,通(tong)徑從(cong)小(xiao)到(dao)幾毫(hao)米,大(da)到(dao)幾米,從(cong)高真空至高壓力都可應(ying)用。
(8)由于球(qiu)閥在啟閉過程中有擦拭性,所以可用于帶懸浮固(gu)體顆(ke)粒的(de)介質中。
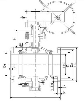
良工閥門渦輪球閥q341f 結構圖:

良工閥門渦輪球閥q341f 性能參數:
型號 | PN | 工作壓力 /MPa | 適用溫度 /℃ | 適用介質 |
Q341F-16C | 16 | 1.6 | ≤180 | 水、氣、油 |
Q341F-25 | 25 | 2.5 | ||
Q341F-40 | 40 | 4.0 | ||
Q341Y-16C | 16 | 1.6 | ≤425 | 水、氣、油含顆粒介質 |
Q341Y-25 | 25 | 2.5 | ||
Q341Y-40 | 40 | 4.0 | ||
Q341F-16P | 16 | 1.6 | ≤180 | 硝酸類 |
Q341F-25P | 25 | 2.5 | ||
Q341F-40P | 40 | 4.0 | ||
Q341Y-16P | 16 | 1.6 | ≤450 | 水、氣、油(you)含顆粒介(jie)質(zhi) |
Q341Y-25P | 25 | 2.5 | ||
Q341Y-40P | 40 | 4.0 | ||
Q341F-16R | 16 | 1.6 | ≤180 | 硝酸類 |
Q341F-25R | 25 | 2.5 | ||
Q341F-40R | 40 | 4.0 | ||
Q341Y-16R | 16 | 1.6 | ≤450 | 水、氣、油含顆粒介質 |
Q341Y-25R | 25 | 2.5 | ||
Q341Y-40R | 40 | 4.0 |
良工閥門渦輪球閥q341f 外形鏈接尺寸:
Q341F、Q341Y 型 PN16 蝸桿傳動球閥主要外形及結構尺寸(mm) | ||||
DN | L | D | H | 重量/kg |
125 | 320 | 245 | 542 | 110 |
150 | 360 | 280 | 572 | 130 |
200 | 457 | 335 | 638 | 200 |
250 | 533 | 405 | 828 | 245 |
300 | 610 | 460 | 948 | 500 |
Q341F、Q341Y 型 PN25 蝸桿傳動球閥主要外形及結構尺寸(mm) | ||||
DN | L | D | H | 重量/kg |
100 | 305 | 230 | 528 | 90 |
125 | 381 | 270 | 547 | 130 |
150 | 403 | 300 | 592 | 170 |
200 | 419 | 360 | 791 | 250 |
250 | 568 | 425 | 926 | 385 |
300 | 648 | 485 | 948 | 625 |
