良工疏水調節閥概述:
疏水閥調(diao)節(jie)閥適(shi)用(yong)(yong)于(yu)(yu)電站、化(hua)工、制(zhi)藥、造紙等行業有加(jia)熱器的(de)工業部門,用(yong)(yong)于(yu)(yu)調(diao)節(jie)脫氧蒸汽和水箱的(de)水位(wei)。必(bi)不可少的(de)設備,有效控制(zhi)熱水器的(de)水量。
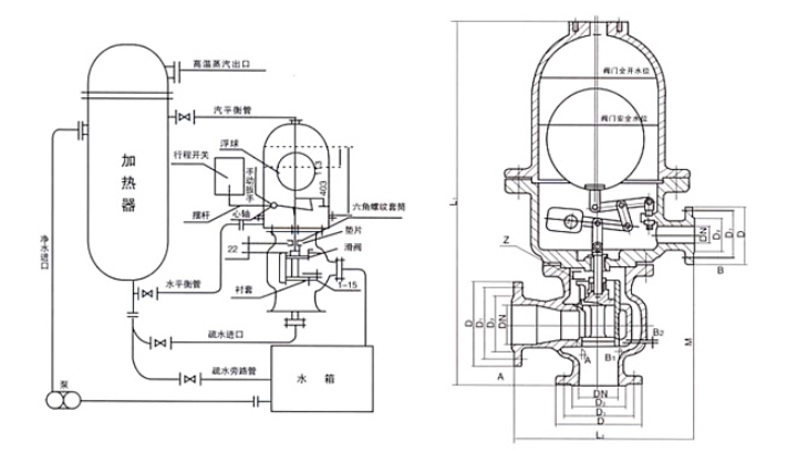
良工疏水調節閥工作原理:
疏水閥(fa)調節閥(fa)開(kai)始操作(zuo)時,應先調(diao)整(zheng)閥門的(de)(de)工(gong)作(zuo)位置(zhi)。手術后(hou)不需要進一步調(diao)整(zheng)。閥門將利(li)用(yong)多級噴(pen)嘴的(de)(de)節(jie)流作(zuo)用(yong),根據噴(pen)嘴入口處的(de)(de)介質狀態,自動調(diao)節(jie)冷(leng)凝(ning)水(shui)排(pai)放量。介質狀態可以是冷(leng)水(shui)、熱凝(ning)結水(shui)、蒸汽或凝(ning)結水(shui)和(he)蒸汽的(de)(de)混(hun)合(he)物。
介質為(wei)冷水時,通過多(duo)級噴嘴節流(liu)排出(chu)的水仍是冷水,體積不變。
當介質(zhi)(zhi)為蒸汽時,通過(guo)多(duo)級噴(pen)嘴(zui)的(de)節流,排出的(de)介質(zhi)(zhi)仍(reng)為蒸汽。但由于(yu)閥(fa)門(men)的(de)壓降較大,蒸汽進(jin)入多(duo)級噴(pen)嘴(zui)后膨脹數倍(bei),因此排出的(de)蒸汽體積膨脹明顯。
當介質為凝(ning)結(jie)(jie)水(shui)(shui)時,凝(ning)結(jie)(jie)水(shui)(shui)在多級(ji)噴(pen)嘴內連(lian)續多次膨脹。由于閥門壓(ya)降(jiang)巨大,一部(bu)分冷凝(ning)水(shui)(shui)轉化為二次蒸(zheng)汽(qi)(qi)。閥門排出(chu)冷凝(ning)水(shui)(shui)和蒸(zheng)汽(qi)(qi)的混合(he)物(wu)。轉化為二次蒸(zheng)汽(qi)(qi)的量取決于凝(ning)結(jie)(jie)水(shui)(shui)溫度(du)、閥壓(ya)降(jiang)和閥盤的開口高度(du)。閥瓣開得過高時,不會產生二次蒸(zheng)汽(qi)(qi)。
蒸(zheng)汽(qi)疏水(shui)調節閥應(ying)根據其在管道(dao)(dao)系統(tong)(tong)中的不同作用(yong),安裝(zhuang)在管道(dao)(dao)的適當(dang)位置。當(dang)管道(dao)(dao)系統(tong)(tong)使(shi)用(yong)此閥將(jiang)冷(leng)凝(ning)水(shui)轉換為(wei)二次蒸(zheng)汽(qi)時,應(ying)在閥前安裝(zhuang)蒸(zheng)汽(qi)疏水(shui)閥。
疏水閥調(diao)節閥結(jie)構圖:

疏水閥(fa)調節閥(fa)外(wai)形鏈接尺寸(cun):
產品型號 | 公稱通徑 | 主要外形尺寸 | 連接尺寸 | |||||||||||||||
長 | 寬 | 高 | L1 | L2 | M | A-D | D1 | D2 | b | z-Φd | DN | B-D | D1 | D2 | b | Z-Φd | ||
T41H-16C | 40 | 460 | 540 | 964 | 160 | 240 | 385 | 145 | 110 | 85 | 18 | 4×18 | 40 | 145 | 110 | 85 | 18 | 4×18 |
50 | 160 | 125 | 100 | 20 | 4×18 | |||||||||||||
80 | 195 | 160 | 135 | 22 | 8×18 | |||||||||||||
100 | 215 | 180 | 155 | 25 | 8×18 | |||||||||||||
150 | 470 | 560 | 980 | 280 | 240 | 210 | 30 | 8×23 | ||||||||||
